找回密码
注册会员
发新帖
97_avatar_middle

39万

积分

0

好友

4万

主题
online_member 发表于 2022-5-24 09:02:58 | 查看: 162| 回复: 0
导语:迈克尔逊干涉仪最初是由美国的物理学家迈克尔逊和莫雷合作,在1881年为了更好的研究“以太”漂移,最终设计和研究出来的,利用了分振幅法最终成功产生了双光束起到干涉作用,在实验中以太风观测中获得了零结果,这个结果为狭义相对论提供了部分依据,探秘志带大家一起看看。

迈克尔逊干涉仪是什么?

迈克尔逊干涉仪是什么?迈克尔逊干涉仪用处揭秘937 / 作者:UFO爱好者 / 帖子ID:88205

在1881年的时候,美国的物理学家迈克尔逊和莫雷合作,为了更好的研究“以太”漂移,最终进行设计和研究,制作出来了迈克尔逊干涉仪。这个仪器利用了分振幅法最终成功的产生了双光束只为了起到干涉作用。

迈克尔逊干涉仪是什么?迈克尔逊干涉仪用处揭秘537 / 作者:UFO爱好者 / 帖子ID:88205

通过不断的调整之后,这个仪器的作用也就更大了,不仅可以成功产生等厚干涉条纹,同时也可以产生等倾干涉条纹。

工作原理是什么

迈克尔逊干涉仪是什么?迈克尔逊干涉仪用处揭秘340 / 作者:UFO爱好者 / 帖子ID:88205

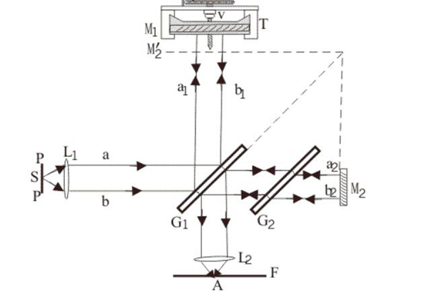
说到光学实验,大家可能不由想到了双缝实验,当然这个实验和双缝实验不太一样。迈克尔逊干涉仪也是一种比较常见的光学干涉仪,主要就是一束光射入分光镜后各自被对应的平面镜所发射,最终产生了一定的干涉作用。

迈克尔逊干涉仪是什么?迈克尔逊干涉仪用处揭秘431 / 作者:UFO爱好者 / 帖子ID:88205

实验中产生的光可以通过调节干涉臂长度,最终改变了介质的折射率最终实现自己的最终目的。很多时候都是要通过相关的函数来确定的。

迈克尔逊干涉仪是什么?迈克尔逊干涉仪用处揭秘244 / 作者:UFO爱好者 / 帖子ID:88205

假如干涉条纹有了一些移动,肯定是场点对应的光程差有了一些改变,最终引起了光程差变化,当然也有可能是光路中某段的折射率有了变化,或者说是薄膜厚度改变了。

迈克尔逊干涉仪是什么?迈克尔逊干涉仪用处揭秘597 / 作者:UFO爱好者 / 帖子ID:88205

迈克尔逊干涉仪最成功的地方在于,它在迈克尔逊-莫雷实验中对于以太风观测中获得的零结果,这个结果最终为狭义相对论提供了一些依据,同时还可以比较准确的测量干涉中的光程差这是比较难得的。

结语:迈克尔逊干涉仪是运用比较广泛的一起,当然这个仪器也并不便宜有着很多注意事项,在使用的时候小心为妙轻拿轻放。
00_avatar_middle
您需要登录后才可以回帖 登录 | 注册会员

手机版|UFO中文网

GMT+8, 2026-4-30 09:19

Powered by Discuz! X3.5

© 2001-2026 Discuz! Team.

快速回复 返回顶部 返回列表