找回密码
注册会员
发新帖
58_avatar_middle

6万

积分

0

好友

7630

主题
online_member 发表于 2020-4-20 20:26:24 | 查看: 146| 回复: 0
导读:在加拿大发现了一块化石,疑似37.7亿年前的化石,通过研究,还能明显看见那些微生物,不所谓不神奇啊!
加惊现37亿年前化石,疑火星生命93 / 作者:UFO外星人爱好者 / 帖子ID:60064

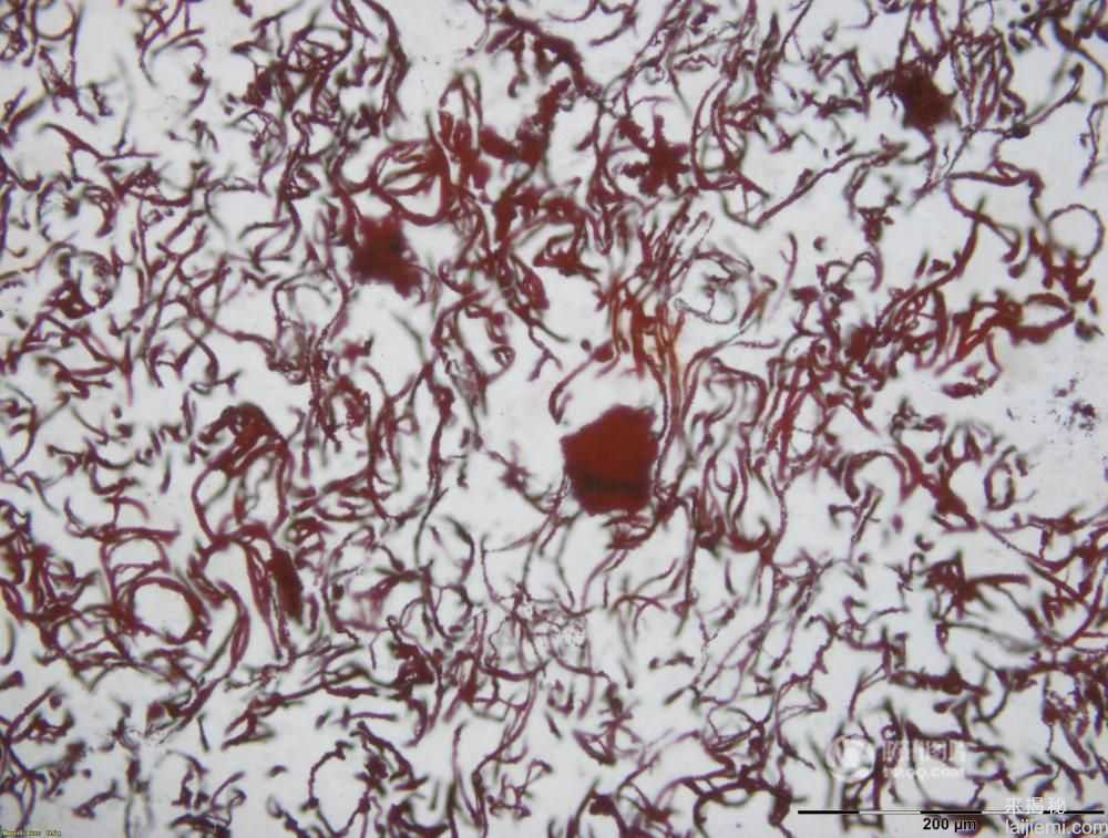
两位伦敦大学学院的研究者宣称,他们在来自加拿大魁北克北部的条带状铁构造岩石中,发现了细小丝状体、细小的管状物、矿物颗粒及条状物。
               
                       
               
加惊现37亿年前化石,疑火星生命738 / 作者:UFO外星人爱好者 / 帖子ID:60064

是37.7亿年前至43亿年前形成的微生物化石,这或许是目前发现的最古老微生物化石,包裹着地球上最古老的生命形式之一。研究人员称,这一发现可能预示着火星上曾经有生命出现过。
               
                       
               
加惊现37亿年前化石,疑火星生命65 / 作者:UFO外星人爱好者 / 帖子ID:60064

两位伦敦大学学院的研究者宣称,他们在来自加拿大魁北克北部的条带状铁构造岩石中,发现了细小丝状体、细小的管状物、矿物颗粒及条状物。
               
                       
               
加惊现37亿年前化石,疑火星生命808 / 作者:UFO外星人爱好者 / 帖子ID:60064

这些细小丝状体、细小的管状物、矿物颗粒及条状物是37.7亿年前至43亿年前形成的微生物化石。
               
                       
               
加惊现37亿年前化石,疑火星生命78 / 作者:UFO外星人爱好者 / 帖子ID:60064

这或许是目前发现的最古老微生物化石,包裹着地球上最古老的生命形式之一。
               
                       
               
加惊现37亿年前化石,疑火星生命222 / 作者:UFO外星人爱好者 / 帖子ID:60064

研究人员称,这一发现可能预示着火星上曾经有生命出现过。
               
                       
               
加惊现37亿年前化石,疑火星生命866 / 作者:UFO外星人爱好者 / 帖子ID:60064

此次生物化石发现地点位于加拿大魁北克北部。 (返回首页)
               
                       
               
加惊现37亿年前化石,疑火星生命674 / 作者:UFO外星人爱好者 / 帖子ID:60064

细小丝状体、细小管状物、矿物颗粒及条状物。
00_avatar_middle
您需要登录后才可以回帖 登录 | 注册会员

手机版|UFO中文网

GMT+8, 2026-5-1 13:51

Powered by Discuz! X3.5

© 2001-2026 Discuz! Team.

快速回复 返回顶部 返回列表